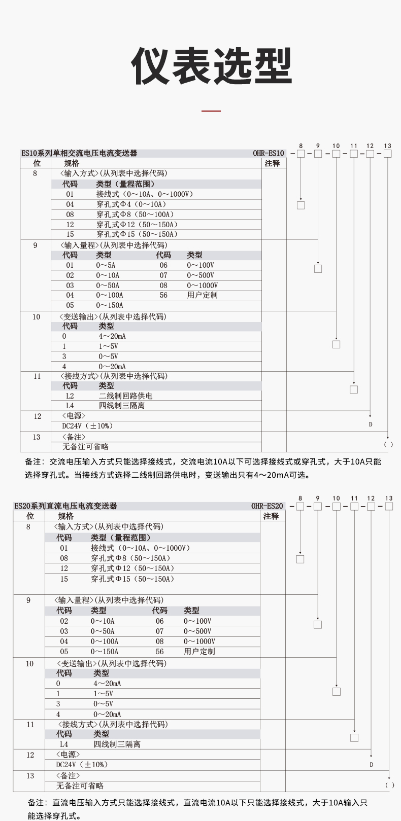
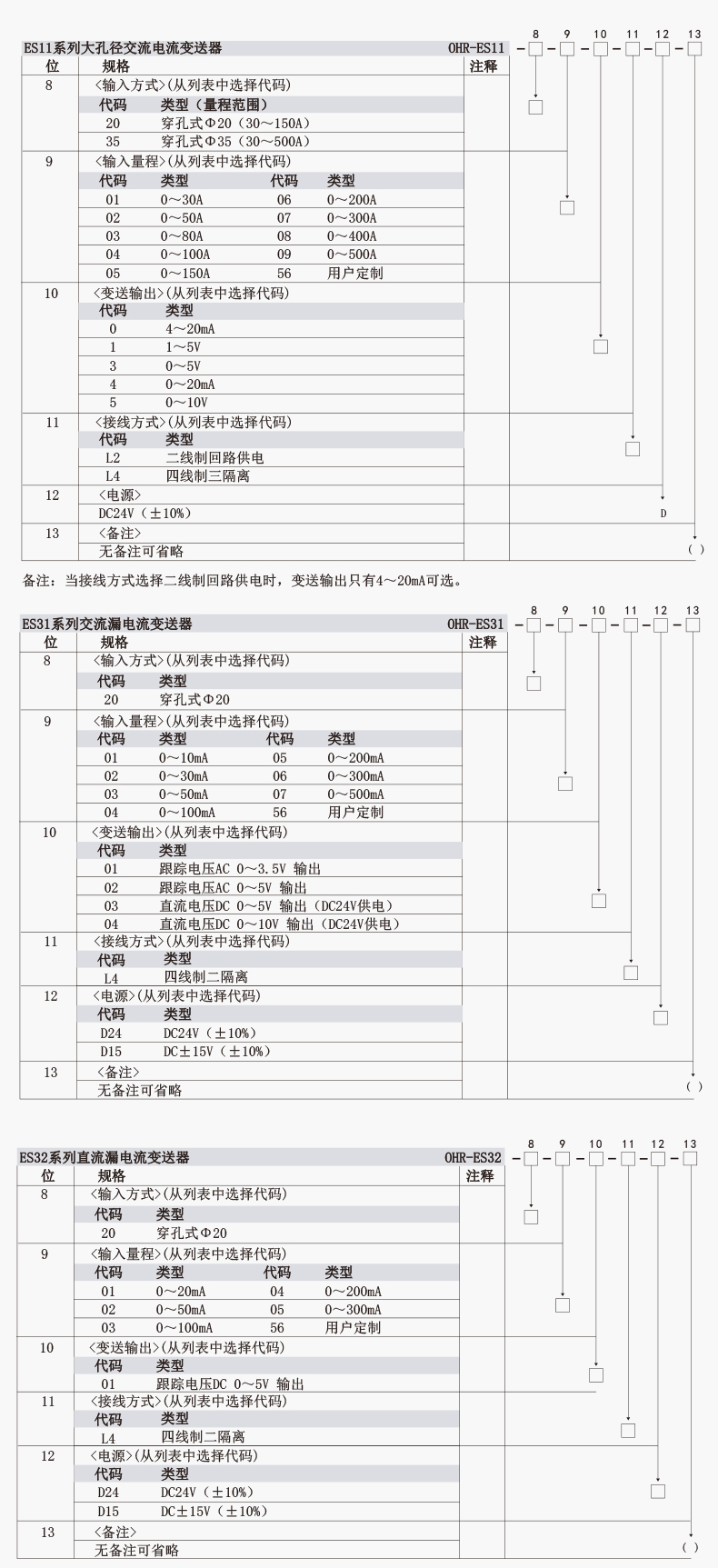
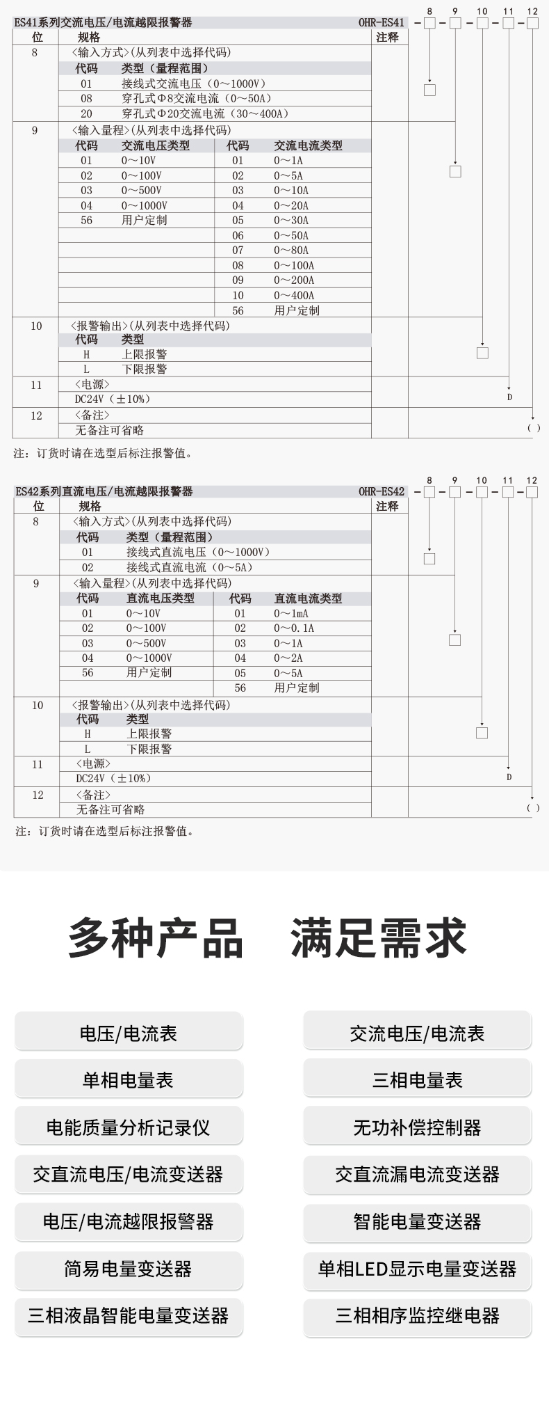
OHR-ES10系列單相交流電壓/電流變送器
虹潤公司是專業生產電流傳感器的國家專精特新“小巨人”企業。生產的交流電壓/電流變送器,具有交流電壓/電流輸入、高精準測量、響應速度快、高抗干擾、全隔離設計等特點。產品獲得一種交流信號變送器、交直流信號轉換電路、基于DCS技術的盤裝式三相電量表等3項國家發明專利,主持起草工業過程控制系統用模擬輸入兩位或多位輸出儀表國家標準,直流漏電流傳感器規范、通信系統多通道數據采集控制終端規范等2項軍用標準,以及現場設備集成等5項智能制造國家標準,參與國際5G標準制定。產品廣泛應用于工業自動化、電力、新能源、科研實驗基礎設施等需要電力參數監測的領域。
















